The use of permanent magnet force to maintain the contact state is its key feature. Only a pulse current is required to drive the coil during switching.The W30L/W30LD series represents a high-performance relay that employs magnetic latching (magnetic blowout) technology.The W30L/W30LD series represents a high-performance relay that employs magnetic latching (magnetic blowout) technology.In the current quest for enhanced efficiency, energy conservation, and intelligent regulation, relays, as essential elements for circuit switching, significantly influence the performance and dependability of complete systems.The W30L and W30LD series of Magnetic Latching Relays are precisely designed to meet the challenges of high-load, high-frequency, and long-life applications. Adhering strictly to the ISO9001 Quality Management System and ISO14001 Environmental Management System, these products, with their outstanding electrical performance, compact structure, and high environmental adaptability, have become the ideal choice for smart home systems, industrial control, new energy management, and other fields.
The W30L/W30LD series is a high-performance relay that uses magnetic latching technology (also known as magnetic blowout). Its key feature is that it uses permanent magnet force to maintain the contact state, requiring only a pulse of current to drive the coil during switching. This results in extremely low static power consumption, making the product particularly well-suited to energy-saving systems that require continuous power or battery operation. The series offers both AC (W30L) and DC (W30LD) load versions, comprehensively covering mainstream electrical control scenarios.
Excellent Electrical Performance & High Load Capacity
The robust 50A current switching capability of this product is due to its silver tin oxide (AgSnO2) contacts. The product meets the highest insulation requirements. It can withstand up to 4,000 VAC between the coil and contacts, and can resist surge voltage impacts of up to 12 kV. This ensures safe and reliable operation under various load conditions.
The product offers a 100,000-operation mechanical life and a 50,000-operation rated electrical life. Its rugged design is shock-resistant and vibration-proof, guaranteeing long-term stability and low maintenance requirements under frequent operation and harsh conditions.
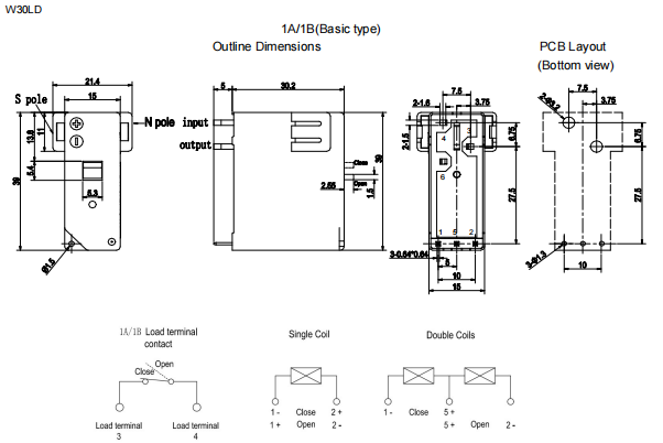
Diverse Contact Forms:
W30L (AC Type): Offers three contact forms: 1A (Normally Open), 1B (Normally Closed), 1C (Changeover).
W30LD (DC Type): Offers two contact forms: 1A, 1B.
Two Coil Drive Modes:
Single-Coil Latching (L1): Energy-efficient, controls switching by changing pulse polarity, simplifying external drive circuits.
Dual-Coil Latching (L2): The straightforward logic control of the "Open" and "Close" coils is prevented by their independent nature.


Two Protection Structures:
Flux-Proof Type: Suitable for clean indoor environments.
Plastic-Sealed Type: Offers enhanced sealing, effectively resisting corrosion from pollutants like H₂S, SO₂, NO₂, and dust, suitable for industrial, outdoor, and other harsh environments.
Manual Control Switch Option (M Type): Enables system debugging, maintenance, and emergency manual operation, thereby improving usability.
Stringent Environmental Adaptability
Wide operating temperature range: Wide Operating Temperature Range: Functions reliably in extreme temperatures from -40°C to +85°C.
Wide Humidity Range: Adapts to environmental humidity from 5% to 85% RH.
It enables system debugging. It also enables maintenance. And it enables emergency manual operation. This improves usability.

Smart Home & Building Automation: Central air conditioning control, high-power lighting circuit switching, electric curtain/window/door drives, Home Energy Management Systems (HEMS).
Lighting Control: Centralized and intelligent control for road lighting, tunnel lighting, and landscape lighting projects.
Prioritize Load Type: First choose the W30L or W30LD model based on whether the controlled circuit is AC or DC.
Confirm Contact State: Select the corresponding contact form (1A/1B/1C) based on circuit logic requirements (Normally Open, Normally Closed, Changeover).
Environment Determines Protection: Assess the cleanliness and pollutant levels of the installation environment to choose between Flux-Proof or Plastic-Sealed construction.
Select Drive Method: Choose Single-Coil (L1) or Dual-Coil (L2) latching based on control system complexity and power consumption requirements.
Voltage Matching: The coil rated voltage (6/9/12/24VDC) must match the control power supply. It is recommended that the actual drive voltage be 1-1.5 times the rated value, with a pulse width ≥50ms.
State Initialization: The product is shipped in the closed state by default. However, transportation vibrations may alter this. It is therefore recommended that you perform a one-time state confirmation or reset operation before powering on.
Drive Specification: Do not activate both the "Open" and "Close" coils at the same time. Refrain from extended coil energisation (>1 minute) to avert coil overheating damage.
Soldering Process: For PCB mounting, the soldering temperature for the load terminals (copper) should be controlled at 260°C ±5°C, for a duration not exceeding 10 seconds, to prevent thermal damage.
Customization Service: This relay series supports customer customization (e.g., special polarity, markings). Please contact the Fanhar technical support team for specific requirements.
The W30L/W30LD series Magnetic Latching Relays integrate high load capacity, superior insulation & voltage withstand, ultra-long service life, extremely low standby power consumption, and exceptional environmental resilience. They represent the advanced level of modern relay technology in terms of high reliability and energy efficiency. Whether for intelligent and energy-saving home systems or demanding industrial and energy infrastructure, they provide a stable, safe, and durable core control solution.